Products
GB Standard Globe Valve
  • GB Standard Globe ValveGB Standard Globe Valve

GB Standard Globe Valve

The high quality and customized J41H, J41Y, and J41W type GB standard globe valves are manufactured by JQF Valve, a professional valves manufacturer in China. Their opening and closing parts are cylindrical valve discs, and the sealing surface is either flat or conical. The valve discs move linearly along the fluid centerline. GB standard globe valves are only suitable for fully open or fully closed applications and are generally not used for flow regulation, but flow regulation and throttling can be performed according to customer needs.
Foshan Jinqiu Valve Co., Ltd. is a manufacturing factory integrating valve R&D, manufacturing, sales, and service. Our durable GB standard globe valves are specifically designed for oxygen pipelines, ensuring safe, stable, and efficient operation. Made from high-quality materials and undergoing rigorous degreasing and cleaning processes, these valves effectively prevent combustion risks and guarantee reliable sealing performance.

GB standard globe valve in stock is suitable for pressure ranges of PN1.6-PN16 and sizes of DN15-DN400, they are always used in metallurgy, chemical, medical gas, and energy industries.

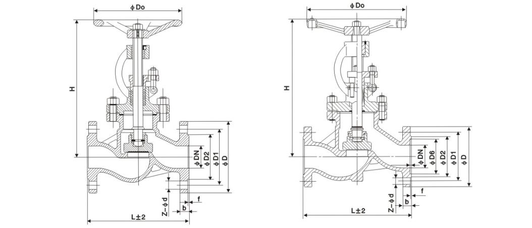
Structural Features

We continuously innovates and pursues excellence, keeping pace with the times with its high-quality GB standard globe valves and outstanding customer service! We actively introduce advanced equipment, enterprise management, and technical service personnel, striving to build a high-quality domestic and international valve brand. We welcome new and old customers to visit and inspect our facilities, cooperate for mutual benefit, and jointly create a better future!

Executive Standard

Design specifications: GB / T 12235
Structure length: GB / T 12221
Flange connection: JB / T 79
Test and inspection: JB / T 9002
Product Identification: GB / T 12220
Delivery specifications: JB / T 7928

Features

1. Streamlined and Optimized Structure: A simplified design improves component manufacturing and equipment maintenance efficiency by 30%. 2. Instantaneous Opening and Closing Control: Micro-stroke structure design achieves an opening and closing response speed of 0.8 seconds per cycle. 3. Long-Lasting Sealing System: Self-lubricating sealing surface technology achieves an ultra-low coefficient of friction; the composite sealing layer has an anti-aging lifespan exceeding 50,000 opening and closing cycles.

Performance parameters

model J41H-16C~160C J41Y-16C~160C J41W-16P~160P
Work pressure(MPa) 1.6~16.0
proper temperature(℃) ≤425 ≤150
Suitable media Water, steam, oil Weak corrosive medium
material Body, bonnet Carbon steel Chrome nickel-titanium stainless steel
Valve stem Chrome stainless steel Chrome nickel-titanium stainless steel
Sealing surface Surfacing iron-based alloys Hardfacing alloy Body material
filler Asbestos graphite, flexible graphite, PTFE

The main shape and connection size

Nominal diameter The main dimensions and connection dimensions
L D D1 D2 b Z-d H D0
J41H-16C
15 130 95 65 45 14-2 4-Φ14 170 120
20 150 105 75 55 14-2 4-Φ14 190 140
25 160 115 85 65 14-2 4-Φ14 205 160
32 180 135 100 78 16-2 4-Φ18 270 180
40 200 145 110 85 16-3 4-Φ18 310 200
50 230 160 125 100 16-3 4-Φ18 358 240
65 290 180 145 120 18-3 4-Φ18 373 240
80 310 195 160 135 20-3 8-Φ18 435 280
100 350 215 180 155 20-3 8-Φ18 500 300
125 400 245 210 185 22-3 8-Φ18 614 320
150 480 280 240 210 24-3 8-Φ23 674 360
200 600 335 295 265 26-3 12-Φ23 811 400
250 650 405 355 320 30-3 12-Φ25 969 450
300 750 460 410 375 30-3 12-Φ25 1145 580
350 850 520 470 435 34-4 16-Φ25 1280 640
400 980 580 525 485 36-4 16-Φ30 1452 640
J41H-25C
15 130 95 65 45 16-2 4-Φ14 170 120
20 150 105 75 55 16-2 4-Φ14 190 140
25 160 115 85 65 16-2 4-Φ14 205 160
32 180 135 100 78 18-2 4-Φ18 270 180
40 200 145 110 85 18-3 4-Φ18 310 200
50 230 160 125 100 20-3 4-Φ18 358 240
65 290 180 145 120 22-3 8-Φ18 373 240
80 310 195 160 135 22-3 8-Φ18 435 280
100 350 230 190 160 24-3 8-Φ23 500 300
125 400 270 220 188 28-3 8-Φ25 614 320
150 480 300 250 218 30-3 8-Φ25 674 360
200 600 360 310 278 34-3 12-Φ25 811 400
250 650 425 370 332 36-3 12-Φ30 969 450
300 750 485 430 390 40-4 16-Φ30 1145 580
350 850 550 490 448 44-4 16-Φ34 1280 640
400 980 610 550 505 48-4 16-Φ34 1452 640

Structure picture

Hot Tags: GB Standard Globe Valve, China, Customized, Quality, Durable, Advanced, Manufacturer, Supplier, Factory, in Stock
Send Inquiry
Contact Info
  • Address

    No.1, North 1st Road, Stainless Steel New Town, Lecong Steel World West Road, Shunde District, Foshan City, Guangdong Province, China

For inquiries about gate valves, globe valves and check valves or price list, please leave your email to us and we will be in touch within 24 hours.

X
We use cookies to offer you a better browsing experience, analyze site traffic and personalize content. By using this site, you agree to our use of cookies. Privacy Policy
Reject Accept